
槽輪機構的動作特性解析圖,機械速度波動實驗裝置圖解視頻教程
速度波動會導致機械設備的能耗多加。在速度波動中,機械設備需要不斷調節運行狀態以適應負載改變,這會導致能量的無效損耗。-為了維持設備的平穩運行,還需要投入更多的人力、物力和財力實行維護和修理,從而多加了生產成本。
-我將繼續深入學習掌控把握機械設計和控制課程理論方面的知識,不斷優化和完善所設計的機械動作系統。-我也將關注新技術和新材料的發展動態,將其應用來機械設計中,以提升系統的功能和可靠性。-我還將探索更多領域的應用場景,將所設計的機械動作系統應用來實際生產和生活中,為社會的發展做出更大的貢獻。
經過實驗成果的解析,我發現我的設計方案在實際應用中取得了良好的效果。機構能夠按照預定的軌跡和速度實行動作,而且傳動效率較高、動作平穩、噪聲較小。這些成果不僅檢驗了我的設計方案的正確性和可行性,也為我今后從事機械設計作業提供了寶貴的經驗和參考。
作為機械系統創新搭接及動作測量試驗實驗臺,我是工程師們在機械設計和研發過程中不可或缺的伙伴。我的存在,是為了提供一個平穩、可靠而且高度模擬真實作業環境的平臺,讓工程師們能夠在我身上實行各種機械創新設計和動作測量試驗。
在實驗中,我還遇到了一些困難和挑戰。-在更換齒輪組時,我發現有些齒輪的咬合不夠緊密,導致傳動過程中出現抖動情況。為理解決這個問題,我仔細查驗了齒輪的加工精確度和裝配位置,*終找到了問題的根源并成功解決了它。這一經歷讓我深刻體會到實驗中的嚴謹性和細致性對于實驗成果的重要性。
-封閉功率(W)流的方向確定和齒輪傳動效率的計算是齒輪傳動設計中的關鍵環節。作為一名機械工程師,我深知在設計過程中需要綜合考慮多種因素,以保證齒輪傳動系統的功能和可靠性。經過對齒輪傳動效率的深入解析,我們可以優化設計,提升系統的能效,為工業應用提供更加高效和可靠的解決方案。
-我成功設計并搭接了一個基于連桿機構的機械動作系統。-該機構能夠完成預定的動作軌跡,并而且設定有良好的動力學功能。在實驗中,我還發現了一些有趣的情況和規律,如機構的動作速度與連桿長度之間的關系、機構的加快速度度與寫入角度之間的關系等。這些發現對于進一步深入理解機械動作設定有重要意義。
,我的設計還考慮了環境適應性,無論是高溫、高濕還是多塵環境,我全部能夠平穩運行,適用不一樣工業場景的需求。
經過對比齒輪傳動和蝸桿傳動的實驗數值,我們發現齒輪傳動的傳動效率普遍高于蝸桿傳動。這主要是因為齒輪傳動的嚙合方法更加緊密,摩擦損失較小,而蝸桿傳動由于存在滑動摩擦和彎曲變形等因素,傳動效率相對較低。具體數值如下表所示:
承載能力:經過測量齒輪在不一樣負載下的扭矩,評估其承載能力。傳動精確度:經過測量齒輪的旋轉動速度度和角度偏差,評估傳動精確度。噪音水平:經過聲學測量設備,評估齒輪傳動過程中產生的噪音水平。耐久性:經過長時間的運行測量試驗,評估齒輪材料的耐久性和抗疲勞功能。
槽輪機構應用實例及作業過程,機械的速度波動可分為哪兩種?

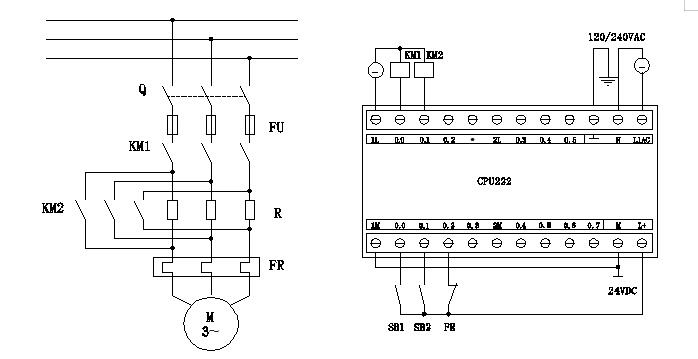
在工程領域,機械速度波動是影響設備功能和壽命的關鍵因素之一。為了深入研究和控制這種波動,我設計了一種機械速度波動實驗裝置。-將詳細闡述該裝置的作業原理、設計要點以及實驗方法。
數值解析是齒輪傳動功能測量試驗中的關鍵環節。經過對收集到的數值實行統計和解析,我們可以得出齒輪傳動系統的功能特別點。-經過扭矩-時間彎曲線,我們可以理解齒輪在不一樣工況下的承載能力改變;經過振動頻譜解析,我們可以識別齒輪傳動過程中可能出現的異常振動源。
-我們要關注的是槽輪機構的扭矩。扭矩是力與力臂的乘積,它決定了機構在特定速度下所需的驅動力。在實驗臺上,我們通常會使用扭矩傳感器來測量機構在不一樣負載條件下的扭矩改變,以評估其傳動效率和承載能力。
在自動化生產線中,槽輪機構被廣泛應用來各種間歇動作的機械設備中。-在裝配線上,槽輪機構可以控制零件的間歇輸送和定位;在檢驗測試線上,槽輪機構可以控制檢驗測試設備的間歇動作等。經過槽輪機構的控制,可以完成生產線的高效運行和設備的高重量生產。
積累實驗數值:在搭接實驗中,我們需要記錄大量的實驗數值,如動作軌跡、動作速度、動作加快速度度等。這些數值是后續解析和優化的重要依據,經過對這些數值的解析,我們可以深入理解機械系統的動作規律和功能特別點,為未來的設計提供參考和借鑒。
在實驗中,實驗工量具也是必不可少的。我們為機械系統綜合搭接平臺配備裝備了各種常用的機械裝配及測量工量具,如扳手、螺絲刀、卡尺、千分尺等。這些工量具不僅能夠幫助用戶實行機械零件的裝配和拆卸,還能夠對機械系統的尺寸和精確度實行測量和校準。經過使用這些工量具,用戶能夠更好地掌控把握機械裝配和調節的技巧,提升實驗實操的準確性和可靠性。
為了減小測量誤差,我們可以應用更高精確度的測量設備,并對測量過程實行更加嚴格的控制。-可以應用更高精確度的扭矩傳感器和轉動速度傳感器,并對測量設備實行定期校準和維護。-在測量中,應盡量避免人為實操的不平穩性,保證測量成果的準確性和可靠性。
在開始設計之前,我首先實行了廣泛的文獻調研,理解當前機械動作領域的技術和發展動態。經過對經典案例的解析,我掌控把握了機械動作的基礎原理和設計方法。-我還學習掌控把握了相關的材料力學、動力學和控制課程理論,為后續的設計作業打下了堅實的課程理論基礎。
經過本次槽輪機構的動態測量試驗實驗,我們不僅檢驗了槽輪機構的基礎動態特性,還發現了一些影響其功能的關鍵因素。這些發現對于槽輪機構的設計和應用設定有重要的指導意義。未來,我們將繼續深入研究槽輪機構的動態功能,探索更多的優化方法,以適用日益增長的工業自動化需求。
-底層基板的材料是決定其功能的首要因素。鋼鐵因其高強度和良好的剛性,是傳統機械傳動系統中常用的底層基板材料。-鋁制底層基板以其輕質、高耐腐蝕性和良好的導熱功能,逐漸成為現代機械設計中的優選。鋁制底層基板在需要減輕整機重量(kg)或提升散熱效率的應用中尤為合適。
槽輪機構動態測量試驗實驗報告,機械速度波動實驗裝置圖怎么畫
在設計方案的細化中,我運用CAD系統實行了三維(3D)建模和擬真解析。經過不斷調節功能數值和優化設計,我保證了機構能夠按照預定的軌跡和速度實行動作。-我也對機構的關鍵部位件實行了強度解析和壽命預測,以保證機構在實際使用中的平穩性和可靠性。

封閉式齒輪傳動效率實驗臺能夠在嚴格控制的環境條件下,對齒輪傳動的效率實行測量。經過測量寫入功率(W)、輸出功率(W)、轉動速度、扭矩等關鍵功能數值,我們可以計算出齒輪傳動的效率,并據此評估不一樣設計功能數值對傳動效率的影響。這些準確的實驗數值為我們優化齒輪設計、提升傳動效率提供了有力的支持。
組建實驗臺的過程是一段充滿挑戰和創新的旅程。-我們實行了詳盡的需求解析,確定了實驗臺必須具備的功能模型塊,含有概括但不限于動力傳輸模型塊、傳感器包括模型塊、數值收集與處置整理模型塊等。在硬件選用上,我們應用了高精確度的傳感器和先進的數值收集系統,保證了測量試驗數值的準確性。系統方面,我們研發了一套用戶友好的界面,完成了對實驗臺的就地實時監控和控制。
-我深刻體會到了動態測量試驗在機械設計中的重要性。我相信,-技術的不斷進步,槽輪機構的功能將得到進一步提升,為現代工業的發展做出更大的貢獻。
充分理解機器的作業原理和功能特別點,選用合適的調動方法和控制算法;合理設定速度設定值和調動界限,避免過度調動或調動不足;定期查驗和維護控制系統和執行機構,保證其正常運行和準確控制;注意查看機器的運行狀態和設備重量改變,及時調節調動功能數值和方案;遵守相關安全規定和實操規程,保證調動過程的安全可靠。
在本次齒輪蝸桿傳動效率實驗中,我們旨在經過實驗測試數值來評估傳動系統的效率。-在實驗中,由于各種因素的影響,實驗成果與課程理論值之間存在一定的誤差。本報告將對實驗過程中可能產生的誤差實行詳盡的解析,并提出相應的改進措施,以期提升實驗的準確性和可靠性。
在高速或高負載的機械傳動系統中,底層基板的熱管理同樣不容忽視。合理的散熱設計,如散熱片、冷卻通道或風扇,可以有效地控制底層基板的溫度(℃),防止因過熱導致的材料功能下降或故障。
(1)動力模型塊:選用了電機作為動力源,設定有效率高、控制便利等優點。按照系統所需的功率(W)和轉動速度,選用了合適型號的電機。
-我們確定了槽輪機構的基礎功能數值,含有概括槽輪和撥輪的尺寸、槽數以及槽距等。這些功能數值的確定需要綜合考慮送料速度、送料精確度以及裝置的平穩性等因素。經過多次計算和試驗,我們*終確定了一組的功能數值結合。
封閉式齒輪傳動效率實驗臺作為一種先進的科研設備,還為我們提供了技術交流AC與合作的機會。經過與其他科研機構和企業的合作與交流AC,我們可以共享實驗數值和研究成果,一起合作推動齒輪傳動技術的進步。-實驗臺還可以作為展示企業技術實力和創新能力的重要窗口,吸引更多的合作伙伴和客戶。
槽輪機構的動作解析圖解,機械速度波動調動實驗臺圖片大全集
經過幾個小時的緊張實驗,我終于完成了全部實驗項目。我仔細整理了實驗數值,并實行了詳細的解析和討論。我發現,經過實際實操和查看,我對齒輪傳動的特性和原理有了更深入的理解。-我也學會了如何使用測量工量具對傳動效率實行定量測量和解析。
作為一名專注于機械工程領域的研究者,我深知齒輪傳動在現代工業中的重要性。齒輪傳動實驗臺,作為研究齒輪傳動功能的關鍵設備,其包括模型塊各具特色,一起合作協作,為我們提供了深入理解齒輪傳動機制的平臺。-我將以人稱的視角,詳細闡述這些模型塊的作用。

在機械傳動領域,槽輪機構以其獨特的構造和傳動方法,贏得了廣泛的應用。作為一名機械設計工程師,我深感槽輪機構在機械系統中所扮演的重要角色。-將詳細探討槽輪機構在實際應用中的特別點,以及這些特別點如何影響其在不一樣領域中的選用和應用。
我的存在,極大地推動了機械設計領域的創新和發展。經過我,工程師們可以更深入入地理解機械系統的作業原理,探索新的設計理念和方法。我不僅是一個測量試驗工量具,更是一個創新的孵化器,激發著工程師們的創造力和想象力。
數值記錄:記錄從動輪在不一樣時間點的位置、速度及加快速度度等數值。功能數值調節:改變主動輪轉動速度、槽輪槽數等功能數值,重復步驟3和4。數值解析:對實驗數值實行處置整理和解析,測繪制作相關圖表。
我的核心功能是模仿齒輪在實際作業條件下的運行情況。經過我的精密控制,工程師們可以設定不一樣的負載、速度和溫度(℃)條件,以評估齒輪在不一樣工況下的表現。我內部的傳感器和測量設備能夠準確捕捉到齒輪的扭矩、振動、噪音和溫度(℃)等關鍵功能數值。
調節測試高速攝像機:調節高速攝像機的拍攝角度和焦距,保證能夠清晰地捕捉到槽輪機構的動作過程。設定攝像機的拍攝功能數值,如幀率、曝光時間等,以適應實驗要求。
在高速旋轉機械的測量試驗中,我的作用尤為顯著。高速旋轉機械在運行中,微小的速度波動全部可能引起嚴重的振動和噪音問題。經過在我的平臺上實行的速度波動調動,可以有效地評估和優化這類機械的平衡功能。
基礎型槽輪機構動態測量試驗實驗平臺
在我參與的機械動作方案設計與搭接實驗中,我深刻體會到了這一環節的重要性和挑戰性。在設計中,我不斷思考如何運用所學知識創新設計思路,如何使機械系統更加高效、、可靠。-我也意識到了設計過程中需要綜合考慮多種因素,如經濟性、可維護性、環保性等。這些因素對于設計方案的實際應用設定有重要影響,需要我們在設計過程中予以充分考慮。
答:可以的,我們是正規企業,并且已經升級到一般納稅人,可以開具增值稅專用發票,如果您需要開槽輪機構的運動特性分析圖,機械速度波動實驗裝置圖解視頻教程的發票,您需要提供開票資料。