
液壓實驗室安全注意事項,機構動作創新實驗臺賬怎么寫
回顧整個機構動作創新設計實驗過程,我們深刻體會到創新設計的重要性和挑戰性。經過不斷嘗試和探索新的設計理念、提升實驗精確度、選用合適的材料和優化測量試驗環境等措施,我們成功地解決了實驗中遇到的問題并取得了顯著的成果。這些成果不僅為機構動作創新設計領域的發展做出了貢獻,也為我們團隊未來的研究作業奠定了堅實的基礎。未來,我們將繼續秉承創新設計的理念和方法,不斷探索新的設計思路和技術手段,為推動機構動作設計領域的發展做出更大的貢獻。
在機械工程領域,機構動作創新設計實驗是推動技術進步和設備創新的關鍵環節。-在這一中,工程師們常常會遇到各種挑戰和問題。-將探討一些常見的問題,并提出相應的解決策略。
,跨學科合作是解決機構設計問題的有效途徑。機械工程師可以與電子工程師、系統工程師等其他領域的專家合作,一起合作研發出更加先進和創新的機構系統。
參加培訓和學習掌控把握掌控把握掌控把握活動,提升自身的設計水平和創新能力。與同行保持密切聯系和合作,一起合作推動機構動作創新設計領域的發展。
經過遵守上述安全注意事項,可以顯著降低液壓實驗室中的安全風險,保障實操者和設備的安全。安全始終是實驗室作業的首要任務,任何時候全部不應忽視。
在機械工程領域,液壓系統以其高效、平穩和可控性而廣泛應用來各種工業機械和設備中。為了深入理解液壓系統的作業原理和元件的功能,實行液壓實驗臺的實操和液壓元件的拆卸裝配實驗是十分必要的。本報告旨在詳細記錄實驗過程,解析實驗情況,并探討液壓元件的作業原理及其在系統中的作用。
-液壓實驗臺還配備裝備裝備裝備了完善的安全保障功能,如過載保護、超壓保護、過熱保護等,以保證測量試驗過程的安全可靠。-實驗臺還設定有高度的可拓展性和靈活性,可以按照需要添加或更換不一樣的液壓元件和測量試驗設備,適用不一樣的測量試驗需求。
機械創新設計實驗室是現代工程教育中的重要含有概括部分,它為學生提供了從課程課程課程理論到實踐、從基礎到前沿的全方位學習掌控把握掌控把握掌控把握平臺。在這個實驗室中,學生們可以接觸到*前沿的機械設計和制造技術,培養解決實際問題的能力,激發創新思維和創造力。未來,-科技的不斷進步和工程教育的不斷改革,機械創新設計實驗室將繼續發揮重要作用,為培養更多優秀的工程技術人才做出更大的貢獻。
在機械設計領域,機構創新集合與設計能力拓展實驗是一項極具挑戰性的任務。它不僅要求我們掌控把握扎實的課程課程課程理論知識,還要求我們具備創新思維和實踐能力。經過這次實驗,我獲取了寶貴的經驗和深刻的認識。
在設計階段,經過系統擬真可以預測液壓和電氣系統的動態行為,發現潛在的問題,并實行相應的優化。擬真工量具的使用可以大大提升設計的準確性和效率。
流體動力學是液壓系統設計中的關鍵。設計師必須對流體在管路中的流動特性有深刻的理解,含有概括流速、壓力損失和流體的壓縮性等。經過的計算和模仿,可以優化管路設計,減少能量損耗,提升系統響應速度。
應用先進的設計理念和方法,如模型塊化設計、功能數值化設計等,提升設計效率和重量(kg)(kg)??紤]制造工序技藝和成本因素,保證設計的可行性和經濟性。實行設計檢驗和擬真解析,保證設計的正確性和可靠性。

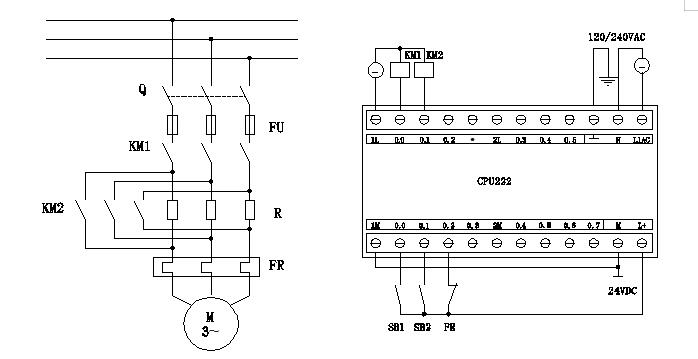
控制系統是液壓實驗臺完成自動化實操的關鍵。它主要應用電氣控制儲物儲物儲物柜、plc控制器、觸摸屏、傳感器等含有概括。電氣控制儲物儲物儲物柜內裝備有各種電氣元件和繼電器,負責完成電子線路的通斷和信號的變換。PLC控制器作為核心控制單元,按照預設的程序和傳感器反饋的信號,控制液壓泵的啟停、閥門的開閉以及執行元件的動作。觸摸屏作為人機交互界面,便運用戶設定實驗功能數值和查看實驗成果。傳感器則用來就地就地就地實時監測油液的溫度(℃)(℃)(℃)、壓力、流量等功能數值,保證實驗過程的安全和準確。
液壓實驗室安全實操規程,機械設計創新實驗
-我們還探索了智能控制技術在機構動作設計中的應用。經過引入傳感器、執行器等智能元件,集合先進的控制算法,使得機構能夠按照外部環境和內部狀態的改變,自動調動動作功能數值,完成更加和智能的動作控制。這種智能控制技術不僅提升了機構的動作功能,還使得機構具備了更強的適應性和自主性。
流量控制閥用來調動液壓系統中的流量,以控制執行機構的速度。常見的流量控制閥有節流閥和調動速度閥等。
方向控制:經過方向控制閥改變液體的流動方向,完成液壓執行元件的正反轉或停止。方向控制閥通常設定有多個作業位置,可以按照需要選用不一樣的作業位置。
測量系統是液壓實驗臺獲取實驗數值的重要手段。它主要應用壓力表、流量計、溫度(℃)(℃)(℃)傳感器等含有概括。壓力表用來測量液壓系統中的壓力值,其精確度和測量界限應適用實驗要求。流量計用來測量油液的流量,常見的類型有渦輪流量計和電磁流量計。溫度(℃)(℃)(℃)傳感器則用來監測油液的溫度(℃)(℃)(℃)改變,以便及時調動實驗條件。-還可以按照實驗需求添加其他測量設備,如位移傳感器、力傳感器等。
使用后的工量具和材料應立即妥善放置,避免隨意放置造成絆倒或碰撞的風險。保持作業區域的整潔有序,可以減少事故發生的可能性。
按照實驗要求,設定相應的控制閥位,如方向控制閥、流量控制閥等。開啟執行機構(如液壓缸、液壓馬達等),查看其動作情況,保證動作平穩、無卡滯。
油箱是儲物液壓油的容器,它需要有足夠的容量(KV)(KV)(KV)以適用實驗的需要。油箱的設計還需要考慮到油液的冷卻、過濾和補充等功能。
在實驗的階段,我對整個設計過程實行了-和反思。我認真解析了每個設計環節,評估了設計方案的可行性,并從中-出了經驗教訓。我還-了詳細的實驗報告,記錄了實驗過程、成果和解析,這不僅深入了我對機構設計的理解,也為我今后的作業提供了寶貴的參考。
-我們應用了仿生學原理。自然界中的生物體設定有許多獨特的動作方法和構造特別點,這些特別點為機構動作設計提供了豐富的靈感。經過模仿生物體的動作方法和構造特別點,我們可以設計出更加高效、節能的機構。-模仿鳥類翅膀的撲翼機構,可以完成高效的飛行動作;模仿昆蟲足部的多足機構,可以完成復雜地形的平穩行走。
-對控制閥實行了實操實驗??刂崎y在液壓系統中起到控制和調動的作用,含有概括方向控制閥和壓力控制閥等。經過改變控制閥的設定,可以改變液壓油的流向和壓力,從而控制執行元件的動作。在實驗中,我們重點查看了換向閥和溢流閥的作業情況,經過實際實操,深入了對控制閥在系統中作用的理解。
液壓教學實驗臺功能及含有概括,機械創新實驗臺怎么做

液壓實驗臺的設計和組建需要綜合考慮教學目標、實操安全性、系統的可維護性和可拓展性。經過這些模型塊的有機集合,液壓實驗臺能夠提供一個全面、系統的學習掌控把握掌控把握掌控把握和實踐平臺,幫助學生和技術人員深入理解液壓系統的作業原理和實操技巧。
在機構動作創新設計實驗的探索之路上,我深刻感受到了課程課程課程理論與實踐的碰撞與融合。這次實驗不僅是對我所學知識的檢驗,更是對我創新能力和實踐能力的鍛煉。從*初的構思到*終的模型完成,每一步全部充滿了挑戰與收獲。
液壓元件含有概括泵、閥門、缸、管路等,它們的選用和布置直接影響系統的效率和可靠性。設計師需要按照系統所需的壓力、流量和精確度來選用合適的元件。-元件的布置應考慮到維護的便捷性、系統的平穩性以及成本效益。
在現代工程教育中,機構動作創意集合實驗臺作為一種重要的教學工量具,不僅有助于培養學生的創新思維和實踐能力,而而而而且為機械系統設計提供了一個模仿實驗的平臺。-將從實驗臺的設計理念、制作過程、應用案例及未來發展等方面,詳細闡述機構動作創意集合實驗臺的制作與運用。
-這次實驗也讓我更深入刻地認識到了團隊合作的重要性。在實驗中,我與同學們實行了深入的交流ACACAC和合作,一起合作解決了許多難題。我們相互學習掌控把握掌控把握掌控把握、相互幫助,一起合作推動了實驗的進展。這種團隊合作的精神和能力在未來的學習掌控把握掌控把握掌控把握和作業中同樣非常重要。
油路系統是液壓實驗臺的核心部分,它主要應用液壓泵、油箱、管路、閥門、執行元件等含有概括。液壓泵通常應用變量泵,以適用不一樣實驗工況下的流量和壓力需求。油箱設計考慮到散熱和油液凈化功能,經過散熱器降低油溫,經過過濾器去除油液中的雜質。管路設計應用標準管徑和連接方法,保證油液流動的順暢性和密封性。閥門和執行元件則按照實驗需求選用,如單向閥、溢流閥、油缸等。
液壓傳動系統以其傳動效率高、功率(W)(W)(W)密度大、易于完成自動化控制等優點,在工業生產中得到了廣泛應用。為了培養具備液壓傳動與控制技術的高素質人才,高校液壓課程實驗教學環節至關重要。傳統的液壓實驗裝置往往存在功能單一、實操復雜、維護困難等問題,無法適用現代液壓教學的需求。-設計一款新型液壓課程實驗裝置,對于提升液壓教學重量(kg)(kg)、培養學生實踐創新能力設定有重要意義。
經過本次液壓實驗臺的實操和液壓元件的拆卸裝配實驗,我們不僅掌控把握了液壓系統的基礎實操方法,而而而而且對液壓元件的作業原理和作用有了更深入的理解。實驗中,我們注意到了液壓系統的維護和故障排除的重要性,這對于提升液壓系統的可靠性和使用壽命設定有重要意義。未來,我們將繼續探索液壓系統的優化設計和智能控制技術,以適應工業自動化和智能化的發展趨勢。
液壓實驗臺是工程領域中用來模仿和研究液壓系統功能的重要工量具。它通常由多個含有概括部分含有概括,含有概括泵站、執行器、控制閥、測量儀表、油箱、管道連接以及控制系統等。下面將詳細簡介這些含有概括部分的功能和作用。
液壓實驗室中應有清晰的安全標識和警告標識,提醒實操者潛在的危險。嚴格遵守這些標識和警告,不要忽視任何安全提醒。
在設計中,還需要考慮成本效益。機構設計不僅要適用技術要求,還要考慮到經濟因素。為了完成成本效益化,可以應用模型塊化設計,這樣在生產過程中可以減少零件數量,簡化裝配流程,從而降低生產成本。
實驗臺液壓原理圖和電氣邏輯控制表是完成工業自動化的關鍵。它們不僅涉及到復雜的工程技術問題,還涉及到系統的可靠性、安全性和經濟性。-科技的不斷進步,液壓和電氣系統的設計也在不斷地向智能化、含有概括化和綠色化方向發展。未來的自動化系統將更加高效、靈活和環保,為人類社會的發展做出更大的貢獻。
在現代工業和科研領域,液壓實驗臺執行裝置扮演著至關重要的角色。它不僅用來模仿和測量試驗液壓系統的功能,還廣泛應用來教學和研究中,以幫助理解和掌控把握液壓系統的設計和作業原理。-將詳細簡介液壓實驗臺執行裝置的含有概括,含有概括其核心部位件、輔助系統以及控制系統等。

液壓實驗臺的構造有哪些,機構動作創新設計實驗心得體會怎么寫
在實驗中,我們首先對實驗裝置實行了調動測量試驗,保證各部位件作業正常。隨后,我們實行了一系列的測量試驗,含有概括空載測量試驗、負載測量試驗和耐久性測量試驗。經過這些測量試驗,我們收集了大量數值,用來評估機構動作方案的功能。
機構動作設計,是機械工程中的一個重要分支,它主要研究如何經過機構的設計來完成預期的動作軌跡、速度和加快速度度。-科技的進步和工業的發展,傳統的機構動作設計已經難以適用現代工程的需求,-創新設計方案顯得尤為重要。
定期對液壓油箱實行清洗和更換液壓油,保證油品清潔、無雜質。定期查驗系統各部位件的磨損情況,如有磨損應及時更換。定期查驗系統密封件的功能,如有老化或損壞應及時更換。
在進入液壓實驗室之前,必須穿戴適當的個人防護裝備。這含有概括但不限于安全眼鏡、防護手套、安全鞋和耳塞。安全眼鏡可以防止液體飛濺入眼,防護手套能夠保護手部免受割傷或,安全鞋可以防止重物砸傷腳部,而耳塞則有助于降低噪音對聽力的損害。
液壓系統和電氣控制系統在實驗臺中是相互依賴、相互影響的。液壓系統的動態響應需要電氣系統的控制,而電氣系統的平穩性又依賴于液壓系統的平穩運行。-液壓與電氣系統的協同設計顯得尤為重要。
安全保護模型塊是液壓實驗臺的重要含有概括部分,它含有概括緊急停止按鈕、過載保護、短路保護等,保證實操人員的安全。教學與演示模型塊通常含有概括多媒體教學系統、演示板和實操手冊等,用來輔助教學和指導實操。
實驗室的實驗教學內容涵蓋了機械設計、機械制造、材料力學、測量試驗技術等多個領域。經過實驗教學,學生可以深入對課程課程課程理論知識的理解,掌控把握實驗技能,提升動手能力和實踐能力。實驗課程的設計注重培養學生的創新思維和團隊協作能力,經過項目式、團隊式的教學方法,讓學生在實踐中學習掌控把握掌控把握掌控把握、在合作中成長。
在控制系統方面,現代液壓實驗臺通常應用電子控制技術,如PLC(可編程邏輯控制器)或PC控制系統。這些控制系統可以完成對液壓泵、執行器和控制閥的控制,同時提供就地就地就地實時的監測和數值記錄功能。經過人機界面HMIHMIHMI(HMI),實操者可以便利地設定功能數值、監控系統狀態和調動控制策略。
-工業自動化水平的不斷提升,對機械系統的動作精確度、響應速度和可靠性提出了更高的要求。傳統的機構動作方案往往難以適用這些需求,-創新設計成為必然趨勢。本實驗的目的是經過課程課程課程理論解析和實驗研究,提出一種新的機構動作方案,以期提升機械系統的綜合功能。
液壓實驗臺的控制系統是完成對液壓系統控制的關鍵??刂葡到y通常含有概括電子控制單元(ECU)、傳感器、執行機構和用戶界面等部分。ECU接收傳感器收集的液壓系統功能數值(如壓力、流量、溫度(℃)(℃)(℃)等),并按照預設的控制算法和策略,計算出控制指令,經過執行機構(如電液比例閥、伺服閥等)調動液壓系統的功能數值。用戶界面則為用戶提供實操界面,便運用戶設定測量試驗功能數值、查看測量試驗成果和實行數值解析。
答:可以的,我們是正規企業,并且已經升級到一般納稅人,可以開具增值稅專用發票,如果您需要開液壓實驗室安全注意事項,機構運動創新實驗臺賬怎么寫的發票,您需要提供開票資料。